De prijslijst met nieuwe prijzen per 01-05-2026 is nu te downloaden.
Let op: Ons kantoor en distributiecentrum in Veghel zijn op maandag 25 mei gesloten vanwege Pinksteren. Vanaf dinsdag 26 mei worden bestellingen weer normaal verwerkt.

Snelle, gratis verzending op bestellingen van meer dan €350

Uw handelspartner in watertechnologie

9.2/10 Beoordelingen lezen

Technische details

  • Motor RPM
    2770
  • Waaiers
    36
  • Max capaciteit
    1.1 m³/h
  • Max. omgevingstemperatuur
    40 °C
  • Type
    CRI 1S-30 A FGJ I V HQQV
  • Vermogen
    1.5 PK
  • Pomphuis
    RVS 316
  • Maat
    DN35
  • Pers
    35
  • IP waarde
    IP55
  • Materiaal
    RVS
  • As
    RVS 316
  • Temperatuurbereik
    -20°C - 90°C
  • Herz
    50 Hz
  • Materiaal waaier 1
    RVS 304
  • Spanning
    400VAC
  • Verbinding
    DIN flens
  • Ampère
    2,5 A
  • EAN
    4019305783972
  • Artikelnummer
    7039628
  • Fabrikant
    Grundfos

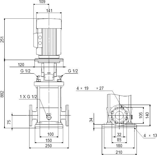
Afmetingen

  • Cb-1
    75 mm
  • Cb-2
    75 mm
  • H-1
    1133 mm
  • L
    250 mm
  • W-1
    210 mm
  • ØDi-1
    35 mm
  • ØDi-2
    35 mm
Grafiek
Technische tekening

Productbeschrijving

Grundfos CRI-pompen zijn verticale, niet-zelfaanzuigende, meertraps, in-line centrifugaalpompen die geschikt zijn voor installatie in leidingsystemen en montage op een fundering, ideaal voor industriële toepassingen. Dit ontwerp zorgt voor een compacter pompsysteem en leidingwerk. CR-pompen zijn ontworpen voor diverse toepassingen, variërend van het verpompen van drinkwater tot het verpompen van chemicaliën. Hierdoor zijn de pompen geschikt voor een breed scala aan pompsystemen waarbij de prestaties en het materiaal van de pomp aan specifieke eisen voldoen.

Varianten

Artikelnummer
Prijs
Verpakt per
MSQ
Voorraad
Geen varianten gevonden
Pas de geselecteerde filters aan of wis ze om beschikbare varianten te zien.
0.75 kW
120 m
€ 1.960,21
1
1
0.75 kW
130 m
€ 2.049,37
1
1
0.75 kW
140 m
€ 2.138,50
1
1
1.1 kW
160 m
€ 2.281,36
1
1
1.1 kW
165 m
€ 2.480,08
1
1
1.1 kW
190 m
€ 2.611,11
1
1
1.1 kW
200 m
€ 2.743,23
1
1

Recent bekeken